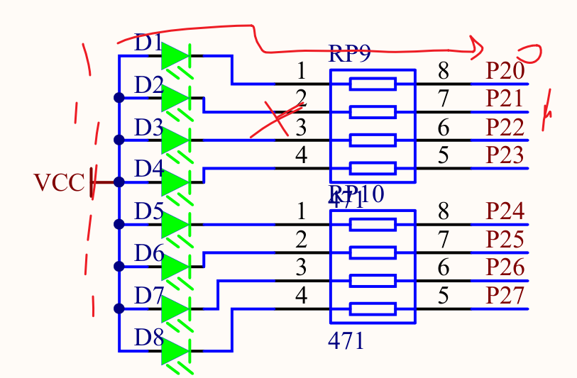
硬件

就是这个LED 模块。
有八个小灯以及两个电阻。
电路

vcc 是电源,也就是高电位 1,p20-p27 就都是我们可以控制的 io 引脚了。
在代码中设置可以设置 1 或者是 0,如果是 1 的话,电线两端都是 1 就没法通点,灯泡不亮。
如果是 0, 就有电流,led 灯亮。
代码

可以直接控制 P2,给其输入值。
注意是十六进制的。
然后高位低位也是根据引脚设置来的,比如 p27 就比 p26 大,所以 p27 就是高位,p26 就是低位。
除了对整个 P2 进行操控,因为有了 regx52.h 头文件,也可以对单独的引脚进行操控,比如 P2_0 之类的。